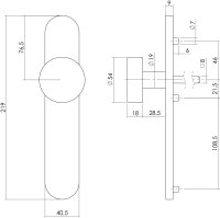
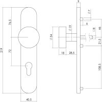
Knöpfe auf Schild